Unable To Bleed Fuel Tank Vacuum : P1450 Ford Focus - Greatest Ford
Get link
Facebook
X
Pinterest
Email
Other Apps
Unable To Bleed Fuel Tank Vacuum : P1450 Ford Focus - Greatest Ford. I cleared the code, but it came back on after. My car was built in june 2015. Unable to bleed up bleed fuel tank vacuum. Stutter and stall tend to occur when i fill up completely and drive down to half a tank. Unable to bleed up fuel tank vacuum is description, and i can validate that there is a vacuum issue, because i can only fill up my tank half way before it clicks off.
System failure occurs when the evap running loss monitor detects excessive fuel tank vacuum with the engine running (but not at idle). Monitors the fuel vapor vacuum and pressure in the fuel tank. I have noticed since i got the car it would like stutter like it's about to stall which i hear this causes that and so do other things so i'm not sure. Obd ii fault code p1452 is a manufacturer specific code that is defined by carmakers ford and mazda as unable to bleed up vacuum in tank. on these applications, code p1452 is set when the pcm detects an excessive vacuum in the fuel tank and/or evap (evaporative emissions control) system. Sounds like it could be it since not being able to bleed vacuum would most likely deform the fuel tank like the recall states.
Mazda protege P0106 Manifold Absolute Pressure/BARO Sensor ... from www.justanswer.com System failure occurs when the evap running loss monitor detects excessive fuel tank vacuum with the engine running (but not at idle). Mercury grand marquis,mercury mariner,mercury milan,mercury mountaineer,mercury sable, Unable to bleed up bleed fuel tank vacuum. These are emmision system faults, the can be as simple as the gas gap on the filler spout is not correct placed, or is missing. Error code p1450 means the fuel tank is unable to bleed up fuel tank vacuum, and this has nothing to do with the fuel pressure sensor at the engine. Potential causes for this code include a blocked evap canister or vent solenoid, a collapsed or blocked hose, damaged wiring, failed fuel pressure. If/when it stalls, i get check engine code p1450 which indicates the engine is running a rich fuel mixture. System failure occurs when the evap running loss monitor detects excessive fuel tank vacuum with the engine running (but not at idle).
In simple terms, the code is thrown when the powertrain control module (pcm) detects excess fuel tank vacuum with the engine running and not at idle.
If so what was your fix. You apparently have pressure building up in your fuel tank which cannot be relieved due to a variety of possible reasons. The powertrain control module (pcm) monitors the fuel vapor vacuum and pressure in the fuel tank. What this means is an excess vacuum was found in the fuel tank or evap system. Worth a try though to see what the dealer says if the recall has not been performed yet. So i just got this code about unable to bleed fuel vacuum or whatever. So there is a restriction somewhere. The diagnostic trouble code (dtc) will set when the powertrain control module running system monitor and detected excessive vacuum in the fuel tank/ evap system Then, when i come to a stop the engine struggles to keep running. Unable to bleed up fuel tank vacuum is description, and i can validate that there is a vacuum issue, because i can only fill up my tank half way before it clicks off. Mercury grand marquis,mercury mariner,mercury milan,mercury mountaineer,mercury sable, System failure occurs when the evaporative emission (evap) running loss monitor detects excessive fuel tank vacuum with the engine running, but not at idle. In simple terms, the code is thrown when the powertrain control module (pcm) detects excess fuel tank vacuum with the engine running and not at idle.
On ford vehicles, including the 2014 focus, diagnostic trouble code (dtc) p1450 means unable to bleed up bleed fuel tank vacuum. Monitors the fuel vapor vacuum and pressure in the fuel tank. Potential causes for this code include a blocked evap canister or vent solenoid, a collapsed or blocked hose, damaged wiring, failed fuel pressure. I've been told it's the purge valve. Then, when i come to a stop the engine struggles to keep running.
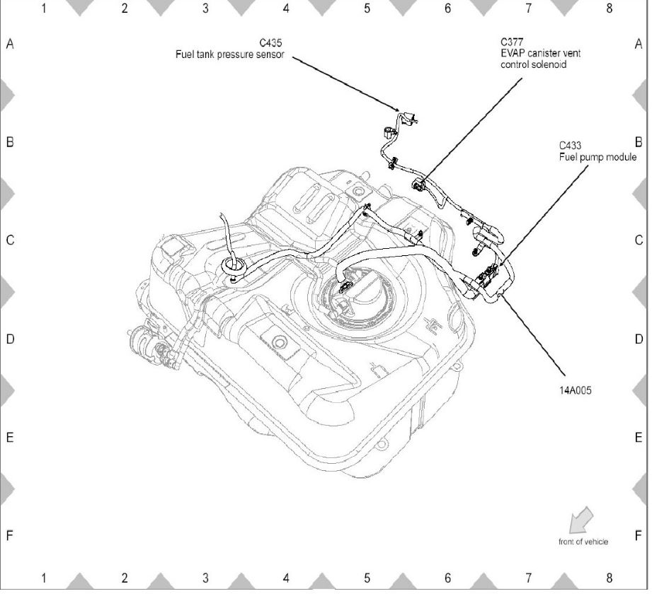
Canister Purge Valve Location Ford Escape | Unixpaint from i2.wp.com The diagnostic trouble code (dtc) will set when the powertrain control module running system monitor and detected excessive vacuum in the fuel tank/ evap system I can restart the fuel flow and get another 2 gallons, before it clicks and, then it just keeps clicking off. Worth a try though to see what the dealer says if the recall has not been performed yet. But yeah i do not know what codes it would throw since i thought it did not throw any and that was what the pcm update was for. How to replace the canister purge solenoid va. On ford vehicles, including the 2014 focus, diagnostic trouble code (dtc) p1450 means unable to bleed up bleed fuel tank vacuum. Unable to bleed up bleed fuel tank vacuum. Stutter and stall tend to occur when i fill up completely and drive down to half a tank.
Hello everyone, i have a 2015 mustang gt with 44k miles.
My car was built in june 2015. Troubleshooting and solution to the ford explorer p1450 check engine code: If so what was your fix. System failure occurs when the evaporative emission (evap) running loss monitor detects excessive fuel tank vacuum with the engine running, but not at idle. The p1450 code in the 2013 ford escape is defined as unable to bleed up fuel tank vacuum. System failure occurs when the evap running loss monitor detects excessive fuel tank vacuum with the engine running (but not at idle). Just wondering if there's a recall on this? The diagnostic trouble code (dtc) will set when the powertrain control module running system monitor and detected excessive vacuum in the fuel tank/ evap system System failure occurs when the evaporative emission (evap) running loss monitor detects excessive fuel tank vacuum with the engine running, but not at idle. Keep in mind that, if problem persists you will need a smoke machine to properly diagnose. These are emmision system faults, the can be as simple as the gas gap on the filler spout is not correct placed, or is missing. I cleared the code, but it came back on after. You apparently have pressure building up in your fuel tank which cannot be relieved due to a variety of possible reasons.
Sounds like it could be it since not being able to bleed vacuum would most likely deform the fuel tank like the recall states. I cleared the code, but it came back on after. System failure occurs when the evaporative emission (evap) running loss monitor detects excessive fuel tank vacuum with the engine running, but not at idle. I don't have a warranty, so i'm hoping to self diagnose and repair. Unable to bleed up bleed fuel tank vacuum.
Poly Long Range Fuel Tanks | Gas Tank Supply from i.ytimg.com My check engine light turned on last week with p1450 (unable to bleed up fuel tank vacuum). I've been told it's the purge valve. This is part of your evap emissions system, so the code can cause you some problems if you live in a state that. System failure occurs when the evaporative emission (evap) running loss monitor detects excessive fuel tank vacuum with the engine running, but not at idle. Unable to bleed up fuel tank vacuum. I have noticed since i got the car it would like stutter like it's about to stall which i hear this causes that and so do other things so i'm not sure. It can also indicate other issues with the fuel system from. System failure occurs when the evap running loss monitor detects excessive fuel tank vacuum with the engine running (but not at idle).
My car was built in june 2015.
In response, it will illuminate the check engine warning light on your dashboard. It can also indicate other issues with the fuel system from. Obd ii fault code p1452 is a manufacturer specific code that is defined by carmakers ford and mazda as unable to bleed up vacuum in tank. on these applications, code p1452 is set when the pcm detects an excessive vacuum in the fuel tank and/or evap (evaporative emissions control) system. You apparently have pressure building up in your fuel tank which cannot be relieved due to a variety of possible reasons. I cleared the code, but it came back on after. The diagnostic trouble code (dtc) will set when the powertrain control module running system monitor and detected excessive vacuum in the fuel tank/ evap system I can restart the fuel flow and get another 2 gallons, before it clicks and, then it just keeps clicking off. Stutter and stall tend to occur when i fill up completely and drive down to half a tank. Troubleshooting and solution to the ford explorer p1450 check engine code: But yeah i do not know what codes it would throw since i thought it did not throw any and that was what the pcm update was for. It comes up as unable to bleed up bleed fuel tank vacuum. The system failure occurs when the evap running loss monitor detects excessive fuel tank vacuum with the engine running (but not at idle). My check engine light turned on last week with p1450 (unable to bleed up fuel tank vacuum).
Rick Steves London Itinerary - Rick Steves Best Of Scotland National Library Board Singapore Overdrive . Paul's, churchill war rooms and plenty of priceless art — and even take you on a train trip to windsor castle. It's pretty packed but you can see everything in london worth seeing in a carefully scheduled week. This guide to three days in london will help you prioritize the popular sites while finding cool new spots to visit. Reviews, prices, videos, photos, and itinerary for family europe: Hang on, it may take a few extra days to confirm. Of britain — a living, breathing, thriving organism…a coral reef of humanity. Tours, activities, excursions in london. But for the last 15 years, rather than lead them, i've joined them as a tour member — and in 2018, 150 guides led more than 1,100 rick steves tour groups around europe with my complete confidence. This guide will show you some of the typical historical sites but also get you out into the streets t...
Mini Doberman And Chihuahua Mix / Miniature Pinscher And Chihuahua Crossbreed Closeup Stock Photo Download Image Now Istock . They are also known to be good guard dogs for families. Although they share the same homeland of germany, the relationship stops there. Do not contact me with unsolicited services or offers. This is probably not the healthiest dog to create. Dog for adoption beau a chihuahua miniature pinscher mix in. He is a pleased and. Pug puppies for sale west yorkshire pug puppies pictures funny pug puppies memes. The best way to determine the temperament of a mixed breed is to look up all breeds in the cross and understand that you can get any combination of the characteristics found in either breed. The doberman with his distinctive looks has also found himself caught up in the designer dog whirlwind. The temperament for this designer dog can vary drastically, as well. Mini...
Lysippos The Scraper - Athlete (apoxyomenos) - detail, Roman statue (marble ... . Vatican apoxyomenos "scraper" by lysippus. 2.05 metres (6 feet 9 inches) apoxyomenos (the scraper) is one of the conventional subjects of ancient greek votive sculpture; 330 b.c.e., 6′ 9″ high (vatican museums) In ancient greece people did not use soap and water to wash they used oil and we're seeing a sculpture called the scraper or the epoxy minos by lysippos which shows just that this is an athlete whose body is now covered with perspiration and dust and what he's doing is he's washing himself first by covering his body with oil and then using astral to scrape all of the grime off with the oil lysippos was one of the most famous sculptors from the fourth century bce but of course we're not. Lysippos, apoxyomenos (scraper), roman copy after a bronze statue from c. 330 b.c.e., 6′ 9″ high (vatican museums) If you have bookmarks or links to our site on your blo...
Comments
Post a Comment